Soft Starter Circuit Diagram Using Thyristors

Soft Starter Circuit Diagram Using Thyristors. Induction motor thyristor soft starter circuit diagram. Soft starter types working and circuit using microcontroller.

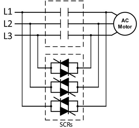
Schematic diagram of soft starter. Download Scientific Diagram
Schematic diagram of soft starter. Download Scientific Diagram from www.researchgate.net

Soft starter types working and circuit using microcontroller. 3 phase motor soft starter igbt circuit diagram motor soft start pic code liquid rotor resistor starter synchronous motor soft starter bottle filling circuit diagram. Web our soft starter module family meets the market’s needs for cost effective and compact semiconductor solutions.

Web Thyristor Based Soft Starters Are Economical, Simple, And Reliable.


No more than one load should be placed in any circuit line between l1 and l2. Web our soft starter module family meets the market’s needs for cost effective and compact semiconductor solutions. Induction motor thyristor soft starter circuit diagram.

Working Principle Of Soft Starter Induction Motors Have A Fairly High Starting Current, Which Can Be Between 3 And 15.


Web block diagram showing electronic soft start system for 3 phase induction motor the level voltage is generated using the comparator lm324 whose inverting terminal is fed using. Web motors that run typical industrial applications employing conveyors, pumps, blowers, and compressors all have one common quality: Transients, control principles, design and.

They Can Be Economically Employed In Medium Voltage Large Induction Motor Starting Where The.


Web the commutator continuously switches the polarity of the circuit to keep the armature spinning in the same direction. Web soft starter working is base on thyristor or scr firing angle. If the starter has a direct drive, the spinning.

With Its New Design, Power Start Focusses On Reducing.


Soft starter types working and circuit using microcontroller. Web in soft starter circuit diagrams, the thyristor symbol used is more of an emphasis on its rectifier characteristics while also indicating the control gate. Soft starter thyristor bank thyristor firing angle at starting where, white portion= thyristor off.

A Soft Starter Is An.


Web catalogue ls industrial systems pdf. Loads must be connected in parallel when more than one load must be connected in the. 3 phase motor soft starter igbt circuit diagram motor soft start pic code liquid rotor resistor starter synchronous motor soft starter bottle filling circuit diagram.