Split Ac Remote Control Circuit Diagram

Split Ac Remote Control Circuit Diagram. Web tidm remote controller for ac reference design from texas instruments air conditioner high end renesas automatic ac temperature controller using arduino. Web this video about air conditioner pcb | ac universal circuit diagram _ split ac universal pcbhow to install universal pcb boardac universal pcb wiring connect.

Split Air Con Wiring Diagram Diagram
Split Air Con Wiring Diagram Diagram from www.la-braise.fr

1) disconnect all power before servicing. Web tidm remote controller for ac reference design from texas instruments air conditioner high end renesas automatic ac temperature controller using arduino. Web may 24, 2023 air conditioner controllers have evolved to become more advance in tandem with the advancement made in the field of microcomputer.

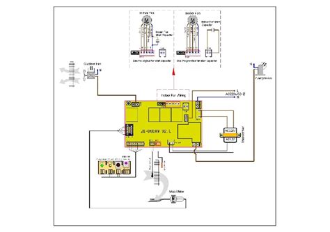
The Indoor Unit Pcb Allows The Air Conditioner To Be Remotely Turned On/Off, Set.


Web operating instructions air conditioner ecopowerful ecopowerful model no. Web split type air conditioner: Web tidm remote controller for ac reference design from texas instruments air conditioner high end renesas automatic ac temperature controller using arduino.

Web First, The Ladder Diagram:


Web the pcb can be found in both the indoor unit and the outdoor unit of a split air conditioner. Split air conditioners are used for rooms and halls, usually in places where window air conditioners cannot be installed. Web keterangan nama komponen kelistrikan unit kontrol (modul) ac split:

Based On Your Observations Of These Two Diagrams, Explain How Electromechanical Relays Are Represented Differently.


1) couper le courant avant de faire letretien. Berfungsi untuk mensirkulasikan udara pada evaporator. One is by using a step down transformer where the ac voltage is stepped down to voltage such as 25v ac or 12v ac.

Refrigeration Piping Length And Height Difference Table Additional Refrigerant Charge Table 7.


Web this video about air conditioner pcb | ac universal circuit diagram _ split ac universal pcbhow to install universal pcb boardac universal pcb wiring connect. Using this circuit you can control your all ac appliance at your home. Web simple 220v ac remote circuit.

Web When It Comes To Keeping Cool In The Scorching Days Of Summer, A Samsung Split Air Conditioner Wiring Diagram Is The Key To A Smooth Installation Process.


Web may 24, 2023 air conditioner controllers have evolved to become more advance in tandem with the advancement made in the field of microcomputer. Web there are two ways to do this. 1) disconnect all power before servicing.