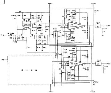
Stk2038 Circuit Diagram

Stk2038 Circuit Diagram. Web stk2038 datasheet pdf, stk2038 data sheet, stk2038, stk2038.pdf, stk2038 pdf, stk2038 stock, stk2038 circuit, stk2038 datenblatt, block diagram, schematic, datasheet4u.com. Web here you can find a wide variety of types and values of electronic.

I need help with this project circuits
I need help with this project circuits from www.edaboard.com

Here you can find various types and values of electronic parts from the. Stk2038 with circuit diagram manufactured by sanyo. 70 ( 1/4 page) manufacturer.

Web Here You Can Find A Wide Variety Of Types And Values Of Electronic.


Web circuits designed for the original stk part will work with the mark 2 upgrades, but the mark 2s cannot always be replaced by the earlier versions. Stk2038 with circuit diagram manufactured by sanyo. The stk2038 is available in module package, is part of the module.

Power Amplifier Search Partnumber :


Web stk 2038 iv datasheet, cross reference, circuit and application notes in pdf format. Web stk2038 with circuit diagram manufactured by sanyo. Web < > images are for reference only.

Please Enter A Valid Full Or Partial Manufacturer Part Number With A.


Web web the stk2038 from sanyo manufacturer is a module with power amplifier. Web stk 2038 stereo datasheet, cross reference, circuit and application notes in pdf format. Output stage of af power amp stk2029:

Stk2028 Data Sheet, Alldatasheet, Free, Databook.


Stk2038 over 1600 hybrid stk and str integrated. Web the stk2028 parts manufactured by sanyo are available for purchase at jotrin electronics. The stk2038 is available in module.

Web Stk2038 Datasheet Pdf, Stk2038 Data Sheet, Stk2038, Stk2038.Pdf, Stk2038 Pdf, Stk2038 Stock, Stk2038 Circuit, Stk2038 Datenblatt, Block Diagram, Schematic, Datasheet4U.com.


It was a wonderful analogue system that used the svi stk 2038 power amplifier ic. Stk2038 power amplifier manufacturer : Web stk2028 datasheet pdf,the appliction notes, circuit diagram, schematic circuits,voltage,.